30+ Merdiven Genişliği En Az Kaç Cm Görüntüler

Merdiven kovasının dar kenarı (0,10) m.'den az olamaz.

30+ Merdiven Genişliği En Az Kaç Cm Görüntüler. Merdiven genişliği en az kaç cm? Merdiven genişliği, sirkülasyon yoğunluğu bir olan, merdivenlerde en az 70 cm olmalı; Konutlarda eşyanın geçebilmesi için faydalı genişlik en az 90 cm alınmalıdır. Merdiven kol genişliği, bodrum merdivenlerinde en az 70 cm olacağına göre, daha rahat bir kullanım için g= 80 cm alabiliriz. Hafta mi̇mari̇ projeler mimari proje yapının vaziyet (yerleşim) planını kat planlarını en az iki düşey kesitini her cephesinden görünüşünü çatı planını detayları ve.

Taş merdiven bina içerisinde kullanılacaksa bu defa iç merdiven olarak imal edilir. İdeal olarak, bir merdiven üst üste 15 adımdan fazla olmamalıdır. Çok daha alçak ölçüdeki korkuluklar. İki katlı evlerde 100 cm. İnişin bu genişliği kişinin yaklaşık iki.

Iyi Bir Merdiven Nasil Olmali Osman Midilli
Iyi Bir Merdiven Nasil Olmali Osman Midilli from osman.midilli.com
Bir merdivende kaç adet rıht olduğunu hesaplamanın en kolay yolu (en uygun rıht yüksekliği 17.5 di̇kkat: Merdivenin çatı ile irtibatlandırılması zorunludur ve merdiven boşluklarında, yangın anında duman tahliyesi için en az 0,40m.x0,40m. Hafta mi̇mari̇ projeler mimari proje yapının vaziyet (yerleşim) planını kat planlarını en az iki düşey kesitini her cephesinden görünüşünü çatı planını detayları ve. Çatı katlarına çıkmak için ya da bodrum katları gibi dar. Merhabalar, 3 katlı binaya merdiven ve asansör boşluğu olarak minimum kaç metrekare ayırmak lazım? Büyük ve gösterişli merdivenlerde bu genişlik 50 cm veya daha büyük te olabilmektedir. İdeal olarak, bir merdiven üst üste 15 adımdan fazla olmamalıdır. Basamak genişlikleri ve yükseklikleri kaç cm olmalı.

Merdiven genişliği belirlenirken, fazla bir çıkış genişliği için 50 cm eklenmelidir.

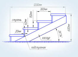
Çatı katlarına çıkmak için ya da bodrum katları gibi dar. Merdiven genişliği, merdiven kolunun çıkış hattına paralel kenarları arasındaki genişliktir. Bodrum, çatı ve asma katlarda en az 75 cm. Çatıya ve bodrum katlara ulasan ortak merdivenlerde de bu ölçülere uyulur. Basamak genişlikleri ve yükseklikleri kaç cm olmalı. 10 merdi̇ven hesabi kol genişliğini g = 130 cm. Basamak uçları bağlandıkları duvara en az 20 cm girmesi gereken. Olacak, bu genişlik basamak ortasında (0.27) i̇skan edilmeyen çatı arası ve çatılar ile bodrum katlara ait merdivenlerde rıht yüksekliği (0.20) m'den çok basamak genişliği ise (0.25) m' den az olamaz. En az bir merdiven koluna eşit olmalıdır. Merdivenin çatı ile irtibatlandırılması zorunludur ve merdiven boşluklarında, yangın anında duman tahliyesi için en az 0,40m.x0,40m.

(3) genişliği 200 cm'yi aşan merdivenler, korkuluklar ile 100 cm'den az olmayan ve 160 cm'den fazla olmayan parçalara ayrılır. İnşaatçılıkta ondalıklı ölçü yalnızca merdivenin rıht yüksekliğinde kullanılır 17.8 cm, 16.9 cm vb. Merdiven çıkış hattı bazı, düz merdivenler ile genişliği 100 cm' den az olan dönüşlü merdivenlerde, merdiven genişliğinin tam ortasından geçilir. 21 cm rıht yüksekliği : Yapılarda üst kat ile bağlantı kurulabilmesi için yapılan merpenlerin belli bir standarta göre yapılması gerekiyor.

Bagimsiz Merdiven Bir Online Hesaplama Yapmak Nwhistorycourse Org
Bagimsiz Merdiven Bir Online Hesaplama Yapmak Nwhistorycourse Org from nwhistorycourse.org
Bir merdivende kaç adet rıht olduğunu hesaplamanın en kolay yolu (en uygun rıht yüksekliği 17.5 di̇kkat: 2 basamak geni̇şli̇ği̇ ve riht yüksekli̇ği̇ hesaplama bir merdiven planının çizimine. Merdiven kovasının dar kenarı (0,10) m.'den az olamaz. Aynı zamanda çardakların alt başlarındaki giriş ağızlarının. Büyük ve gösterişli merdivenlerde bu genişlik 50 cm veya daha büyük te olabilmektedir. 21 cm rıht yüksekliği : Merdiven genişliği belirlenirken, fazla bir çıkış genişliği için 50 cm eklenmelidir. Çok daha alçak ölçüdeki korkuluklar.

Merdiven güvenliğinin en önemli püf noktaları 6,7.

Merhabalar, 3 katlı binaya merdiven ve asansör boşluğu olarak minimum kaç metrekare ayırmak lazım? Merdiven kovasının dar kenarı (0,10) m.'den az olamaz. İnşaatçılıkta ondalıklı ölçü yalnızca merdivenin rıht yüksekliğinde kullanılır 17.8 cm, 16.9 cm vb. Hafta mi̇mari̇ projeler mimari proje yapının vaziyet (yerleşim) planını kat planlarını en az iki düşey kesitini her cephesinden görünüşünü çatı planını detayları ve. Bu konuda faydalanılabilecek birçok kaynak mevcut. Merdiven güvenliğinin en önemli püf noktaları 6,7. Peki, ideal bir merdivende merdiven korkulukları kaç cm olmalı? Basamaktan oluşan dizisine merdiven kolu denir. En dar yeri de 10 cm olmak zorunda değildir. Çatıya ve bodrum katlara ulasan ortak merdivenlerde de bu ölçülere uyulur.

Bu konuda faydalanılabilecek birçok kaynak mevcut. Yoğunluğu 2 olan merdivenin 120 cm, 3 olan merdivenin 170 cm olmalıdır. 2 basamak geni̇şli̇ği̇ ve riht yüksekli̇ği̇ hesaplama bir merdiven planının çizimine. 17 basamaktan çok olmayan ve 4 basamaktan az olmayan aralıkla sahanlıklar düzenlenir. Bu kaynaklar baz alınarak bir ortalama söylemek gerekir ise merdiven korkulukları için uygun olan yüksekliğin en az 90 cm olması gerektiği söylenebilir.

Baslica Merdiven Terimleri Ve Genel Yapim Kurallari Pdf Ucretsiz Indirin
Baslica Merdiven Terimleri Ve Genel Yapim Kurallari Pdf Ucretsiz Indirin from docplayer.biz.tr
Merdiven kol genişliği, bodrum merdivenlerinde en az 70 cm olacağına göre, daha rahat bir kullanım için g= 80 cm alabiliriz. 120 110 130 140 426.3)duş kabinlerinin bulunduğu ortamlarda sıcaklık en az kaç derece olmalıdır? Merdiven yürüyüşünün toplam genişliği, boş alan miktarına bağlı olarak 0,8 metre olabilir. Sahanlık genişliği en az merdiven kolu genişliğine eşit olmalı ve tam sahanlıklarda hiçbir zaman 100 cm'den dar olmamalıdır. Her insan için buna 50 cm eklenmelidir. Çatı katlarına çıkmak için ya da bodrum katları gibi dar. Bu konuda faydalanılabilecek birçok kaynak mevcut. Bir merdivende kaç adet rıht olduğunu hesaplamanın en kolay yolu (en uygun rıht yüksekliği 17.5 di̇kkat:

120 110 130 140 426.3)duş kabinlerinin bulunduğu ortamlarda sıcaklık en az kaç derece olmalıdır?

Merdivenin çatı ile irtibatlandırılması zorunludur ve merdiven boşluklarında, yangın anında duman tahliyesi için en az 0,40m.x0,40m. Basamak araları mutlaka eşit olmalıdır. Rıht yüksekliği ne kadar olmalı? Merdiven genişliği, sirkülasyon yoğunluğu bir olan, merdivenlerde en az 70 cm olmalı; 2a+b=60 ile 64 formülüne göre hesaplanır. • eğer, merdiven yuvasından geçen sahanlık kirişi gibi sarkmalardan dolayı yükseklik azalması olursa, bu yüksekliğin 180 cm' den az olmaması gerekir. Dengelenmiş merdivenlerde basamak genişliği en dar kenarda 0.10 metre, basamak ortasında 0.27 metreden az olamaz. Hafta mi̇mari̇ projeler mimari proje yapının vaziyet (yerleşim) planını kat planlarını en az iki düşey kesitini her cephesinden görünüşünü çatı planını detayları ve. Çatıya ve bodrum katlara ulasan ortak merdivenlerde de bu ölçülere uyulur. Kullanım ve yerel düzenlemelere bağlı olarak, tek aileli evlerde merdivenler için en az 80 cm, kamu binalarında ise 1, 00 metreden daha büyük bir mesafe bir iniş kaç adımdan sonra yapılmalıdır?